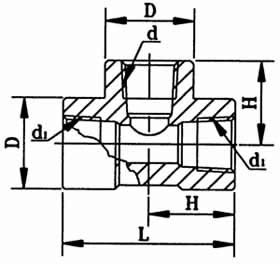
| ● 三通 |
|
代号(订货号) |
公称通径(DN) |
D(Rc) |
D |
L |
H |
重量(kg) |
对应号 |
ZT6.5.2-1 |
8 |
1/4 |
23 |
46 |
23 |
0.18 |
H1.1-1 |
ZT6.5.2-2 |
10 |
3/8 |
25 |
50 |
25 |
0.25 |
H1.1-2 |
ZT6.5.2-3 |
15 |
1/2 |
33 |
58 |
29 |
0.36 |
H1.1-3 |
ZT6.5.2-4 |
20 |
3/4 |
38 |
66 |
33 |
0.47 |
H1.1-4 |
ZT6.5.2-5 |
25 |
1 |
48 |
78 |
39 |
0.61 |
H1.1-5 |
|
标记示例:三通8 ZT6.5.2-1
● 异径三通 |
|
代号(订货号) |
公称通径
(DN×DN1×DN1) |
d |
d1 |
d2 |
D |
L |
H |
重量
(kg) |
对应号 |
{Rc} |
ZT6.5.3-1 |
10×15×15 |
3/8 |
1/2 |
33 |
58 |
29 |
0.32 |
H1.2-1 |
ZT6.5.3-2 |
10×20×20 |
3/8 |
3/4 |
38 |
66 |
33 |
0.45 |
H1.2-2 |
ZT6.5.3-3 |
10×10×15 |
3/8 |
1/2 |
33 |
58 |
29 |
0.32 |
|
ZT6.5.3-4 |
15×10×10 |
1/2 |
3/8 |
ZT6.5.3-5 |
10×10×20 |
3/8 |
3/4 |
38 |
66 |
33 |
0.48 |
ZT6.5.3-6 |
20×10×10 |
3/4 |
3/8 |
ZT6.5.3-7 |
15×20×20 |
1/2 |
3/4 |
0.42 |
ZT6.5.3-8 |
15×15×20 |
1/2 |
3/4 |
ZT6.5.3-9 |
20×15×15 |
3/4 |
1/2 |
0.40 |
|
| 标记示例:异径三径 10×15×15 ZT6.5.3-1 |
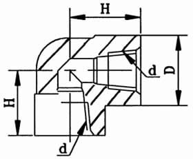
| ● 弯头 |
|
代号(订货号) |
公称通径(DN) |
D(Rc) |
D |
H |
重量(kg) |
对应号 |
ZT6.5.4-1 |
8 |
1/4 |
23 |
0.07 |
H1.3-1 |
ZT6.5.4-2 |
10 |
3/8 |
25 |
0.11 |
H1.3-2 |
ZT6.5.4-3 |
15 |
1/2 |
33 |
29 |
0.26 |
H1.3-3 |
ZT6.5.4-4 |
20 |
3/4 |
38 |
33 |
0.39 |
H1.3-4 |
ZT6.5.4-5 |
25 |
1 |
48 |
39 |
0.56 |
H1.3-5 |
|
| 标记示例:弯头8 ZT6.5.4-1 |
| ● 外接头 |
|
代号(订货号) |
公称通径(DN) |
d(Rc) |
L |
L1 |
S |
D |
重量(kg) |
对应号 |
ZT6.5.5-1 |
8 |
1/4 |
25 |
11 |
22 |
25.4 |
0.06 |
H1.4-1 |
ZT6.5.5-2 |
10 |
3/8 |
30 |
12 |
27 |
31.2 |
0.1 |
H1.4-2 |
ZT6.5.5-3 |
15 |
1/2 |
35 |
15 |
32 |
37 |
0.16 |
H1.4-3 |
ZT6.5.5-4 |
20 |
3/4 |
40 |
17 |
36 |
41.6 |
0.19 |
H1.4-4 |
ZT6.5.5-5 |
25 |
1 |
48 |
20 |
46 |
53.1 |
0.27 |
H1.4-5 |
|
| 标记示例:外接头8 ZT6.5.5-1 |
|