| ● 内接头 |
|
代号(订货号) |
公称通径(DN) |
d(R) |
d1 |
L |
L1 |
S |
D |
重量(kg) |
对应号 |
ZT6.5.6-1 |
8 |
1/4 |
8 |
34 |
13 |
17 |
19.6 |
0.02 |
H1.5-1 |
ZT6.5.6-2 |
10 |
3/8 |
10 |
37 |
14 |
22 |
25.4 |
0.03 |
H1.5-2 |
ZT6.5.6-3 |
15 |
1/2 |
15 |
48 |
18 |
27 |
31.2 |
0.09 |
H1.5-3 |
ZT6.5.6-4 |
20 |
3/4 |
20 |
52 |
20 |
32 |
37 |
0.12 |
H1.5-4 |
ZT6.5.6-5 |
8 |
1/4(L) |
8 |
75 |
13 |
17 |
19.6 |
0.13 |
H1.5-5 |
ZT6.5.6-6 |
10 |
3/8(L) |
10 |
80 |
14 |
22 |
25.4 |
0.18 |
H1.5-6 |
ZT6.5.6-7 |
25 |
1 |
25 |
62 |
24 |
36 |
41.6 |
0.23 |
H1.5-7 |
|
标记示例:外接头8 ZT6.5.6-1
● 内外接头 |
|
代号(订货号) |
公称通径(DN×DN) |
d(R) |
d1 |
L |
L1 |
S |
D |
重量(kg) |
对应号 |
ZT6.5.7-1 |
8×10 |
1/4 |
3/8 |
8 |
30 |
14 |
22 |
25.4 |
0.04 |
ZT6.5.7-2 |
10×15 |
3/8 |
1/2 |
10 |
36 |
18 |
27 |
31.2 |
0.08 |
ZT6.5.7-3 |
10×20 |
3/8 |
3/4 |
10 |
36 |
20 |
32 |
37 |
0.15 |
ZT6.5.7-4 |
15×20 |
1/2 |
3/4 |
15 |
42 |
20 |
32 |
37 |
0.21 |
ZT6.5.7-5 |
15×25 |
1/2 |
1 |
15 |
44 |
24 |
36 |
41.6 |
0.31 |
|
| 标记示例:内外接头8×10 ZT6.5.7-1 |
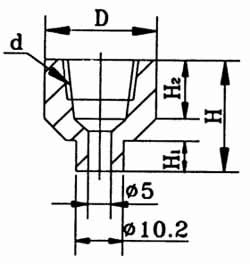
| ● 分管接头体 |
|
代号(订货号) |
d(Rc) |
D |
H |
H1 |
H2 |
重量(kg) |
ZT6.5.12-1 |
1/4 |
24 |
22.5 |
4 |
15 |
0.053 |
ZT6.5.12-2 |
3/8 |
27 |
31 |
6 |
20 |
0.082 |
|
| 标记示例:分管接头体Rc1/4 ZT6.5.12-1 |
| ● 活接头 |
|
代号(订货号) |
公称通径(DN) |
d(R) |
D |
L |
L1 |
S |
S1 |
“O”型密封圈GB1235-76 |
重量(kg) |
对应号 |
ZY436.1.00 |
8 |
1/4 |
21 |
38 |
18 |
32 |
19 |
20×2.4 |
0.156 |
YF01.1 |
ZY436.2.00 |
10 |
3/8 |
25 |
36 |
22 |
24×2.4 |
0.193 |
YF01.2 |
ZY436.3.00 |
15 |
1/2 |
31 |
44 |
20 |
46 |
27 |
30×3.1 |
0.334 |
YF01.3 |
ZY436.4.00 |
20 |
3/4 |
36 |
50 |
26 |
54 |
32 |
35×3.1 |
0.511 |
YF01.4 |
ZY436.5.00 |
25 |
1 |
50 |
60 |
30 |
65 |
46 |
40×3.1 |
0.81 |
YF01.5 |
|
| 标记示例:活接头Rc1/4 ZY436.1.00 |
|