| 一、结构特点及应用范围 |
| YQWXZ-G型油气卫星站,是集润滑油液定量分配、压缩空气处理、油-气混合于一体的集成化产品,全部元件均集成安装在一防护箱内,适用于不同工况条件下的单线-多区式大型油气润滑系统中。 |
| 二、技术参数 |
型号 |
公称油压 |
公称气压 |
适用电压 |
总功率 |
YQWXZ-G*-*/* |
10MPa |
0.4-0.6MPa |
DC24V |
80W |
|
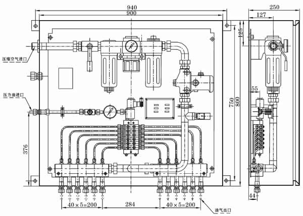
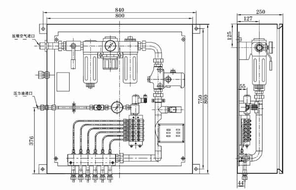
| 三、外形图 |
|
2~6出口油气卫星站外形图 |
|
7~12出口油气卫星站外形图 |
| 四、型号说明 |
|
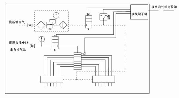
| 五、原理图 |
|
| 六、功能说明 |
| 油气卫星站由二位二通电动止回阀、KM型单线油分配器、气动三联件、二位二通气动电磁阀、油气混合器以及各种连接件等组成。润滑油供应站供送过来的压力油,经二位二通电动止回阀、KM型单线油分配器定量分配,分配出的若干份油分别送至各口的油气混合器进行油气充分混合,而后分别向后级的油气分流器进行再分流或直接供向润滑点。卫星站的工作控制接受油气润滑系统的主PLC电气控制箱控制。 |
| 七、使用要领 |
1、油气卫星站应安装在灰尘少、振动小、受高温辐射热影响小,且便于调整、检查方便的地方。
2、油气卫星站的进气接口必须与工厂压缩空气(允许使用氮气)供气管线相连,决不允许使用其它介质的气体,以免发生安全事故。
3、正常工作使用期内,应定期给气动三联件的储水杯进行排水。 |