一、使用条件
VSL-KR型双线分配器上下面均有给油口,分配器活塞正反向动作时分别从上面和下面的给油口排出润滑脂;在相应上、下给油口内设有合二为一的排油结构,要改变奇数出油,只需将孔内的螺钉拧出即可。还可以从指示杆的动作直接观察分配器的工作情况,同时还可以通过调整螺钉在规定范围内调整各出油口的给油量。
该型分配器适用于公称压力为40MPa的双线式干油集中润滑系统中,在两条供油主管交替的供油压力作用下,直接由供油压力控制活塞动作给油,完成向润滑点定量分配润滑脂的功能。
|
|
|
| 二、技术参数 |
|
型 号 |
公称压力MPa |
动作压力Mpa |
额定给油mL/循环 |
调整螺钉每转一圈调整量ml |
VSL※-KR |
40
|
≤1.0 |
0-5 |
0.15 |
|
| 使用介质为锥入度不低于265(25℃,150g)1/10mm的润滑脂(NLGI0#~2#)或粘度等级大于N68的润滑油;使用环境温度为-10~80℃;使用介质为润滑油时,请在20MPa压力下使用。 |
| |
| 三、型号说明 |
 |
| |
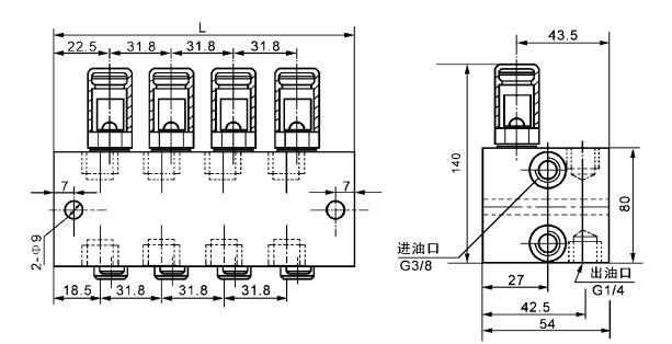
| 四、外形尺寸 |
 |
型号 |
VSL-KR |
VSL4-KR |
VSL6-KR |
VSL8-KR |
出油口数 |
2 |
4 |
6 |
8 |
L(mm) |
44.5 |
76 |
108 |
140 |
|
| |
| 五、使用说明 |
| 若需相应上下出口合并时,只需将上出油孔内的压紧螺塞用6mm内六角扳手拧出,取出分油套通孔向下装入,再拧紧压紧螺塞,此时上出口用G1/4螺塞封堵以防灰尘侵入。 |
| |
六、订货须知
分配器安装使用环境温度在-10~80℃以外的必须在订货合同中注明,以便供货时提供耐低、高温油封。
|
| |